最新上架
更多- 风华高科MFJ10HR系列合金电阻:高精度低阻场景的全能解决方案
- STM32F407VGT6的完美国产替代——中科芯CKS32F407VGT6在智能电力网关的应用
- 电路保护新突破:槟城电子BMG14D系列压敏复合器件如何守护你的电子设备
- 奥伦德X0L、X01系列高速隔离运放光耦:打开信号传输新起点
- 国巨CA0612系列排容在汽车电子中有哪些具体应用?
- 基美通用贴片电容C1210C、C1210V、C1210W、C1210X系列介绍
- 可替代STM32F407ZGT6的国产MCU CKS32F407ZGT6在运动控制器中的应用
- 国巨汽车级高压电阻RV1206BR-07, RV1206DR-07, RV1206FR-07, RV1206FR-13, RV1206JR-07, RV1206JR-13系列选型资料
- 立隆VZT331M系列贴片铝电解电容:高温长寿命与低阻抗特性的工业级解决方案
- 替代LMV321AS5X的国产运算放大器:友顺科技LV321G选型资料
车规信号链芯片ETQ74LVCH8T245
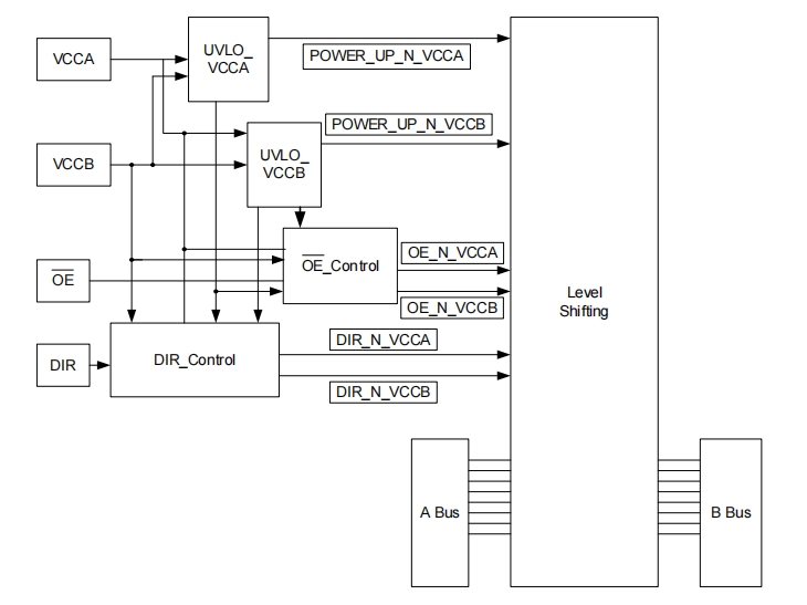
ETQ74LVCH8T245是一款8位同相总线收发器,使用两个独立的可配置电源轨。该器件设计用于两条数据总线之间的异步通信。 方向控制(DIR)输入和输出使能(OE)输入的逻辑电平激活B端口输出和A端口输出,或将两个输出端口置于高阻抗状态。控制引脚(DIR和OE)以VCCA为基准。
ETQ74LVCH8T245采用小型TSSOP24和QFN24封装,工作环境温度范围为-40°C至+105°C
特性
- 控制输入(DIR和OE)VIH和VIL电平以VCCA为基准
- 总线保持数据输入免除了增设外部上拉和下拉电阻器的需要
- VCC隔离
- 完全可配置的双轨设计
- Ioff支持部分断电模式操作
- 符合汽车AEC-Q1002级标准
-
- --环境温度范围:-40°C至+105°C
- --静电防震人体模型HBM6KV
- --ESDCDM1KV
- --MSL1
| 芯片型号 | 封装 | 尺寸 |
|---|---|---|
| ETQ74LVCH8T245V | TSSOP24 | 4.4mm x7.8mm |
| ETQ74LVCH8T245Y | VQFN24 | 3.5mm x5.5mm |
引脚配置

方框图

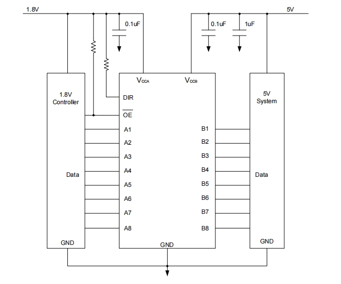
应用电路

















