最新上架
更多- 风华高科MFJ10HR系列合金电阻:高精度低阻场景的全能解决方案
- STM32F407VGT6的完美国产替代——中科芯CKS32F407VGT6在智能电力网关的应用
- 电路保护新突破:槟城电子BMG14D系列压敏复合器件如何守护你的电子设备
- 奥伦德X0L、X01系列高速隔离运放光耦:打开信号传输新起点
- 国巨CA0612系列排容在汽车电子中有哪些具体应用?
- 基美通用贴片电容C1210C、C1210V、C1210W、C1210X系列介绍
- 可替代STM32F407ZGT6的国产MCU CKS32F407ZGT6在运动控制器中的应用
- 国巨汽车级高压电阻RV1206BR-07, RV1206DR-07, RV1206FR-07, RV1206FR-13, RV1206JR-07, RV1206JR-13系列选型资料
- 立隆VZT331M系列贴片铝电解电容:高温长寿命与低阻抗特性的工业级解决方案
- 替代LMV321AS5X的国产运算放大器:友顺科技LV321G选型资料
ET64B16VAM对ET64C16YAM:国产16位通用I/O接口扩展芯片选型资料
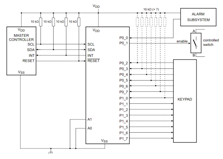
汽车信号链 IC 是保障汽车电子系统高效运行的关键组件。它能精准处理和传输各类信号,提升车辆的安全性、稳定性与智能化。力芯微(ETEK)是国产汽车信号链IC知名厂家之一。ET64B16VAM对ET64C16YAM是中国芯片上市公司力芯微主推的两款 16 位通用 I/O 扩展芯片,可通过 I2C 总线接口为大多数微控制器系列提供远程 I/O 扩展。ET64C16YAM为I/O端口扩展提供了简单的解决方案,几乎互连即可实现。除了提供一组灵活的GPIO端口外,它还支持不同电压设备之间的电平转换,使其可以灵活地应用于多电压混合信号环境。
,但是均具有四对 8 位寄存器:配置寄存器、输入寄存器、输出寄存器和极性反转寄存器。
上电时,所有 I/O 端口都配置为输入状态。通过配置 I/O 端口的配置寄存器,系统可以确定每个 I/O 端口的输入和输出状态。每个输入或输出数据都存储在相应的输入或输出寄存器中。通过配置极性反转寄存器,可以翻转输入寄存器的极性,以节省外部逻辑门。
当发生超时或错误操作时,主机可以通过在重置端口上应用低级别来重置ET64B16VAM。当上电复位时,所有寄存器都处于默认状态,并且初始化I2C BUS/SM BUS状态机。
当任何输入状态与其对应的输入寄存器状态不同时,ET64C16YAM和ET64B16VAM开漏中断输出处于活动状态,以向主机指示输入状态已更改。
INT 可以连接到微控制器的中断输入。通过发送中断信号,微控制器端口被告知有数据进入,而不是通过 I2C 总线。
ET64B16VAM的Port P输出可提供25mA灌注电流,可直接驱动LED。
硬件地址引脚(A1、A0)可用于编程和更改I2C BUS地址。
特性
- I2C-BUS到并行端口扩展器
- 工作电源电压范围为 1.65V 至 5.5V
- 低待机电流消耗
- --VDD=5V时为1.5uA(典型值)
- --VDD=3.3V时为1.0uA(典型值)
- 施密特触发器动作可在SCL和SDA输入端实现缓慢的输入转换和更好的开关噪声抗扰度
- --VHYS = 0.15V(典型值),VDD=1.8V时
- --VHYS = 0.20V(典型值),VDD=2.5V时
- --VDD=3.3V时,VHYS = 0.26V(典型值)
- --VHYS = 0.45V(典型值),VDD=5V时
- 5V 耐压I/O端口
- 低电平有效复位输入
- 漏极开路低电平有效中断输出
- 400 kHz 快速模式I2C-BUS
- 内部上电复位
- 上电时,所有通道都配置为输入
- SCL/SDA输入上的噪声滤波器
- 输出具有25mA的最大驱动能力,可直接驱动LED
- 闩锁性能超过 100mA
- 符合AEC-Q100 Grand 1 标准
- -- 环境温度范围:-40°C 至 125°C
- -- HBM ESD 保护超过±2000V
- -- CDM ESD保护超过±1000V
- -- 3级
ET64B16VAM对ET64C16YAM两款I/O接口扩展芯片不同点:
- 封装不同;两者封装不同,前者是TSSOP24封装,后者是QFN24封装。
- 湿气敏感性等级(MSL)等级不同:前者位3级防潮,后者位1级。
- 可编程引脚数不同:前者位2级防潮,后者位3级。
- 其它差异:更多细节差异,请咨询中科芯I/O接口扩展芯片代理商-米兰电子官网客服
引脚说明

(ET64B16VAM引脚说明)

(ET64C16YAM引脚说明)
芯片框图

应用电路

















